| Specifications: |
 |
 |
|
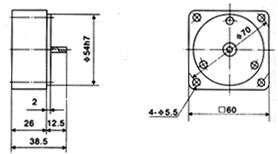
Motor 2IK6GN-A (CS) |
Gear head 2GN K 2GN |
The figure in paranthese indicates dimension of speed control motor Note: Gear shaft parameters :diameter (¢5.92),modulus(0.5),helical angle (25°) force angle (20°),length(12.5) |
 |
 |
|
Wire diagram singal phase |
Decimal gear head 2GN10X | |