Products Catalogue

Composite insulators end fittings

main parameter
| Item | Dongwoo Standard | |||||
| Electrical ratings | Rated voltage | 45kv | 35kv | 25kv | 15kv | |
| Low frequency dry flashover ovltage test | 190kv | 170kv | 150kv | 100kv | ||
| Low frequency dry flashover ovltage test | 170kv | 140kv | 115kv | 70kv | ||
| Critical impulse flashover voltage test |
Positive | 275kv | 255kv | 235kv | 180kv | |
| Negative | 370kv | 345kv | 320kv | 260kv | ||
| Radio influence voltage test | Max.voltage test | 1μ/(Max) | 1μ/(Max) | 1μ/(Max) | 1μ/(Max) | |
| Mechanical | Failing load test | 10,000kgf | 10,000kgf | 10,000kgf | 10,000kgf | |
| Number of sheds | 10 | 8 | 6 | 4 | ||
| Dimensions | Section Length | 630mm | 540mm | 449mm | 352mm | |
| Leakage distance | 1100mm | 886mm | 674mm | 445mm | ||
| Mininum arcing distance | 2190mm | 410mm | 320mm | 215mm | ||
Composite insulators end fittings
All the end fittings listed in the table below refer to what is stated in IEC61466-1(02-1997)standard.
| TYPE | CODE | 70KN | 120KN | 160KN | 210KN |
| |
BALL B |
Size16 IEC 60120 |
Size16 IEC 60120 |
Size20 IEC 60120 |
Size20 IEC 60120 |
| |
SOCKET S |
Size16 IEC 60120 |
Size16 IEC 60120 |
Size20 IEC 60120 |
Size20 IEC 60120 |
| |
TONGUE T |
Size16N A=17.0 B=20.0 C=17.5 |
Size19N A=16 B=27 C=24 |
Size19N A=16 B=27 C=24 |
Size20N A=22 B=26 C=24 |
| |
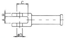
CLEVIS C |
Size16N A=18.0 B=8.00 C=34.8 D=17.5 |
Size19N A=23.0 B=11.5 C=38.0 D=20.0 |
Size19N A=23.0 B=11.5 C=38.0 D=20.0 |
Size20N A=26.0 B=15.0 C=43.0 D=22.0 |
| |
EYE E |
Size17 A=44 B=20 C=31 D=45 E=12 |
Size24 A=62 B=26 C=52 D=70 E=18 |
Size24 A=62 B=26 C=52 D=70 E=18 |
Size24 A=70 B=26 C=52 D=74 E=22 |
| |
Y-CLEVIS Y |
Size199 H=40 |
Size19 H=40 |
Size19 H=40 |
Size22 H=40 |

Chinese
Russian
German
Spanish
French
Italian
Portuguese
Japanese
Indonesian
Vietnamese




Add to Inquiry Basket
View Inquiry Basket
The products that you selected had been put into inquiry basket !